株式会社ピットガレージダクトは、D-ride正規販売店契約を締結している株式会社プロトと、カウル取り付け用となる新型バイク用前後ドライブレコーダー「D-rideカウル型」の先行予約受付を、開始したと発表した。
同製品は、ミラー一体型のドライブレコーダーとなっており、今回カウルへの装着が可能なカウル型が追加となる。車両のデザインを選ばないポリゴン形状で、自身でも取り付けやすいシンプルな配線仕様なのも嬉しいポイントである。現在追加生産予定はなく、生産数が限られているため、気になるユーザーは早めの予約がおすすめだ。価格は54,450円(税込)、発売は10月中旬~下旬ごろを予定している。
10月中旬~下旬に「D-rideカウル型」がいよいよ販売開始。
株式会社ピットガレージダクト(代表取締役:鈴木 直樹、名古屋市天白区)とD-ride正規販売店契約を締結している株式会社プロトは、10月中旬~下旬に従来の正ネジ10mm(DR-05BP)に加え、カウル取り付け用になるバイク用前後ドライブレコーダー(DR-05CP)を販売開始することをお伝えします。

株式会社ピットガレージダクトと総代理店の株式会社プロトでは、従来の正ネジ10mmのDR-05BPの派生モデルとなるカウル取り付け型「DR-05CP」の先行受付をしており、モーターサイクルショーで一番リクエストが多かった同モデルを受注生産とし、先行予約を開始している。同モデルのミラー筐体部分は既存のまま、取付けステーを汎用型のカウル用2軸調整機能を採用している。同社によれば、非常に少ない生産数となるため、早めの予約を推奨している。追加生産は未定とのこと。 なお、同社ではネットでの受付は既に終了しており、直接問い合わせればまだ受付可能だそうだ。 今回、ラインアップを追加したカウル取り付け型と、従来型の正ネジ10mmも含めて株式会社ピットガレージダクト店内に設けられた喫茶スペースで製品展示を行っており、予約なしでデモや従来型の正ネジ10mmの販売も行っているとのことだ。同店舗は洗車スペースやセルフピットスペースを併設しており、多くのライダーの皆様がアクセスし易い店舗となります。

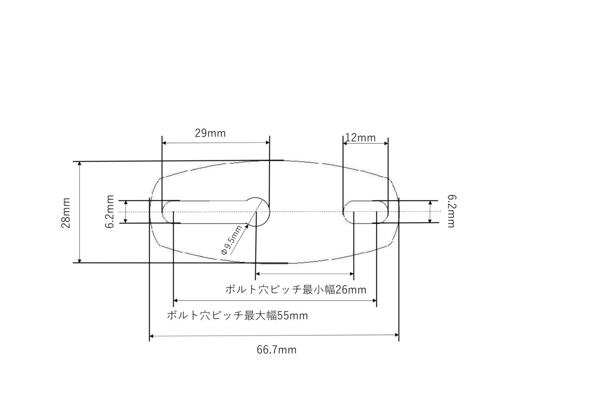
店舗では、電源取り出し以外の本体取り付けもサービスで行われ、USB電源以外の12V電源取り出しも近くのショップを紹介してもらえるとのこと。決済方法は現金を始め、各種クレジットカードや電子マネーにも対応しており、支払い方法に選択肢が増えるのもうれしい。 M6ネジ ネジ間ピッチ26mm~55mmまで対応
気になるカウル取り付け型「DR-05CP」の汎用性だが、下記写真や図面を参考にしてほしいとの事。



取り付け台座には防水コネクターを貫通させるザグリも入れてあり、カウルにダイレクトインも可能な設計になっている。同封物としては下記のものが入っており、ロングとショートのボルトも汎用性を高めそうだ。
また同社ではYouTube動画にも力を入れており、動画を見るだけでD-rideが分かる様になっているとのこと。https://www.youtube.com/@pitgarage_duct

また、従来型のネイキッドで使用させる正ネジ(逆ねじ対応)10mmのDR-05BPはネットでも店舗でも販売中とのことなので、興味のある方は是非チェックしてほしい。アダプターを介せば殆どの車両に取り付け可能とのこと。
下図はどちらのタイプも共通の配線図だ。ユーザーにやさしいシンプルな配線となっており、ユーザー自身での取り付け難易度はかなり下がるだろう。 取り付け動画も同社YouTube動画にあるとのこと。


また同社の誇る圧倒的死角の少なさも併せて紹介してほしいとのこと。左はD-rideの撮影カバー範囲で、右が一般的な広角ドラレコを取り付けた場合の画角だそうだ。(DR-05CP・DR-05BP共通)

いずれのタイプも死角が少なく配線が簡単で、ライダー自身を映しこめるモトブロガーのような画像取得が可能であり、万が一の時の証拠保全と併せて、ツーリングや旅の記録にも使えそうだ。
カメラは業界最高クラス水平150°対角183°SONY IMX323センサー搭載 全国信号機にも対応。


D-rideの動画からのキャプチャ画像
DR-05CP 54,450円(税込み)
DR-05BP 48,950円(税込み)
リリース提供元:株式会社ピットガレージダクト






